Skip to content

RLBTM Mild/Stainless Steel Weigh Module

Original price $494.99 - Original price $752.99
Original price
$494.99
$494.99 - $752.99
Current price $494.99

Key Features:

  • Capacity per module: 250 to 5,000 lb SE
  • Available in zinc-plated mild steel or stainless steel construction
  • Self-checking, multi-directional movement ensures stability and accuracy
  • Ball and cup design for superior load introduction and self-centering
  • Compatible with various standard shear beam load cells, including:
    • RL30000, RL39123, RL32018, RL32018S, RL32218S-HE
  • Ideal for:
    • Light- to medium-capacity tank and hopper weighing
    • Conveyors

The RLBTM Mild/Stainless Steel Weigh Module is a multi-purpose, high-accuracy weighing solution designed for light- to medium-capacity industrial applications. Featuring a ball and cup self-centering design, this module ensures precise weight measurement and stability, even in dynamic conditions.

This weigh module is available in both mild steel (zinc-plated for durability) and stainless steel (for corrosion resistance), making it suitable for both indoor and outdoor use. It can be paired with a variety of single-ended beam load cells to fit different weighing needs.

The RLBTM weigh module is an affordable, high-performance solution for businesses needing reliable, easy-to-install weighing equipment.

Specifications

Component    Details
Capacity per Module
250 to 5,000 lb SE
Material Options
Zinc-Plated Mild Steel or Stainless Steel
Mounting Type
Ball and Cup Self-Centering Design
Self-Checking
Yes, Multi-Directional Movement
Load Cell Compatibility
RL30000, RL39123, RL32018, RL32018S, RL32218S-HE
Applications
Light- to Medium-Capacity Tanks, Hoppers, Conveyors

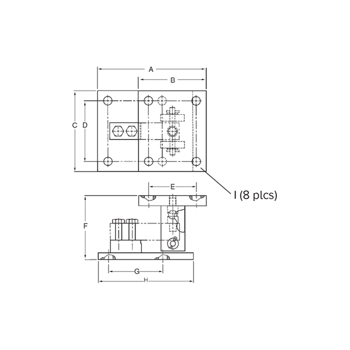
RLBTM Weigh Module Dimensions

Rated Capacity (lb) A (in) B (in) C (in) D (in)    E (in) F (in) G (in) H (in) I (in)
250 to 5,000 SE 8.00 5.00 6.00 4.50
3.50 4.75 4.00 7.00 0.63

*Custom sizes available upon request

Enhance Your Weighing System with the RLBTM Weigh Module

The RLBTM Mild/Stainless Steel Weigh Module offers superior accuracy, easy installation, and multi-directional movement. Its self-centering ball and cup design, material flexibility, and compatibility with multiple load cells make it an ideal solution for industrial weighing applications.

Contact our team for more information on how the RLBTM Weigh Module can optimize your weighing process!

Free Shipping: Available across 48 continental USA. Extra charges may apply for residential, farm, or rural areas.
Express Shipping: Overnight and faster shipping options available at additional costs. Quotes obtainable via email.
Delivery Time: Typically 5 to 7 business days, varying by location and external conditions.
Tracking Information: Provided via email upon shipment. Accessible through account login. Additional information available upon request.
Return Policy: 15-day return period for unused, original condition products. A 25% restocking fee applies. Buyer covers original and return shipping costs.
Customer Support: Contact at (844)-735-5386 or info@selletonscales.com for queries or concerns about shipping.

Compare products

{"one"=>"Select 2 or 3 items to compare", "other"=>"{{ count }} of 3 items selected"}

Select first item to compare

Select second item to compare

Select third item to compare

Compare