

Key Features:
- High-Quality Stainless Steel Construction: Built from stainless steel, providing superior corrosion resistance, durability, and strength, ideal for dry and corrosive environments.
- Versatile S-Beam Design: Ideal for suspended applications, force measurement, mechanical scale conversions, and industrial weighing.
- Wide Capacity Range: Available from 50 lb to 20,000 lb, making it suitable for various commercial and industrial applications.
- Environmental Protection: IP67-rated environmental sealing ensures protection against dust, moisture, and harsh operating conditions.
-
High-Precision Weighing Performance:
- Full-scale output: 3.0 mV/V (±0.008)
- Combined error: 0.03% full scale
- Insulation resistance: 5,000 megohm
-
Safe Overload and High Durability:
- Can withstand 150% full-scale overload, ensuring high reliability under stress.
- Long Cable for Easy Installation: Comes with a 20 ft cable, providing secure connectivity and installation flexibility.
-
Certified for Compliance:
- NTEP Certified (Approval No. 98-078) for legal trade applications
- cFMus approved, meeting safety and performance standards
- Reliable Warranty: Backed by a two-year limited warranty, ensuring confidence in long-term use.
Enhance your weighing applications with the Rice Lake RL20000SS Load Cell, built for precision, durability, and seamless integration. Order today to optimize your weighing efficiency.
Specifications:
Specification | Details | |
---|---|---|
Full Scale Output | 3.0 mV/V (±0.008) | |
Input Resistance | 390 (±15) ohm | |
Output Resistance | 350 (±3.5) ohm | |
Material/Finish | Stainless steel | |
Operating Temperature | 0 °F to 150 °F (-18 °C to 65 °C) | |
Compensated Temperature | 14 °F to 104 °F (-10 °C to 40 °C) | |
Safe Overload | 150% full scale | |
Rated Excitation | 5 to 10 VDC (15 V max) | |
Combined Error | 0.03% full scale | |
Insulation Resistance | 5,000 megohm | |
Seal Type | Environmentally sealed, IP67 | |
Cable Length | 20 ft cable | |
Warranty | Two-year limited | |
Approvals | NTEP 98-078, cFMus |
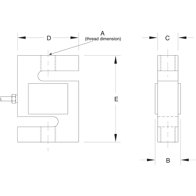
Load Cell Dimensions
Capacity (lb) | A | B | C | D | E | |
---|---|---|---|---|---|---|
50 to 300 | 1/4-28 UNF | 0.65 | 0.46 | 2.00 | 2.40 | |
500 to 1,000 | 1/2-20 UNF | 0.90 | 0.71 | 2.00 | 2.40 | |
2,500 | 1/2-20 UNF | 1.15 | 0.96 | 2.00 | 2.40 | |
3,000 | 1/2-20 UNF | 1.15 | 0.96 | 3.00 | 3.90 | |
5,000 | 3/4-16 UNF | 1.15 | 0.96 | 3.00 | 3.90 | |
10,000 | 3/4-16 UNF | 1.40 | 1.21 | 3.00 | 3.90 | |
15,000 | 1-14 UNS | 1.63 | 1.46 | 3.44 | 5.50 | |
20,000 | 1-1/4-12 UNF | 1.88 | 1.68 | 4.44 | 7.00 |
Free Shipping: Available across 48 continental USA. Extra charges may apply for residential, farm, or rural areas.
Express Shipping: Overnight and faster shipping options available at additional costs. Quotes obtainable via email.
Delivery Time: Typically 5 to 7 business days, varying by location and external conditions.
Tracking Information: Provided via email upon shipment. Accessible through account login. Additional information available upon request.
Return Policy: 15-day return period for unused, original condition products. A 25% restocking fee applies. Buyer covers original and return shipping costs.
Customer Support: Contact at (844)-735-5386 or info@selletonscales.com for queries or concerns about shipping.