

Key Features:
- Compact & Cost-Effective: Designed for low-profile, light-capacity weighing applications.
- Aluminum Construction: Lightweight and durable for efficient performance in various environments.
- mV/V per Ohm Calibration: Simplifies installation and enhances measurement accuracy.
- Wide Capacity Range: Available in 15 kg to 150 kg models for versatile applications.
- Reliable Performance: Full-scale output of 1 mV/V with a combined error of 0.060% full scale.
- Environmentally Sealed (IP65 Rated): Protects against dust and moisture, ensuring longevity.
- High Overload Protection: Withstands 150% full-scale overload for added durability.
- Easy Integration: Includes a 1.5 m cable with a standard color code for seamless installation.
PB Load Cell Specifications
Specification | Details | |
---|---|---|
Full Scale Output | 1 mV/V | |
mV/V per Ohm Calibration | Yes | |
Output Resistance | 1,000 (± 10) ohm | |
Input Resistance | 1,180 (± 50) ohm | |
Material/Finish | Aluminum | |
Operating Temperature | 0 °F to 150 °F (-18 °C to 65 °C) | |
Seal Type | Environmentally sealed, IP65 | |
Safe Overload | 150% full scale | |
Rated Excitation | 5 to 10 VDC | |
Combined Error | 0.060% full scale | |
Insulation Resistance | 5,000 megohm | |
Cable Length | 1.5 m | |
Cable Color Code | Green (+Excitation), Black (-Excitation), White (+Signal), Red (-Signal), Yellow (Shield) | |
Warranty | One-year limited |
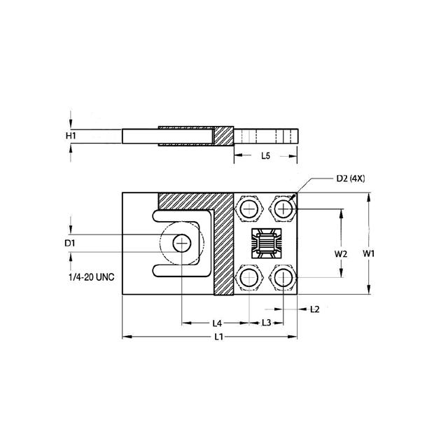
PB Load Cell Dimensions
Rated Capacity (kg/mm) | L1 | L2 | L3 | L4 | L5 | W1 | W2 | H1 | D1 | D2 | Deflection (mm) at E max | |
---|---|---|---|---|---|---|---|---|---|---|---|---|
15 | 70.0 | 4.9 | 14.0 | 28.0 | 23.7 | 39.0 | 27.8 | 4.1 | 7.6 | 5.1 | 0.27 | |
37.5 | 76.2 | 6.0 | 15.0 | 29.3 | 27.0 | 44.5 | 30.0 | 4.8 | 7.6 | 6.6 | 0.36 | |
75 | 84.4 | 6.4 | 15.0 | 34.0 | 27.7 | 54.8 | 30.0 | 6.4 | 7.6 | 6.6 | 0.35 | |
150 | 107.3 | 7.8 | 22.9 | 45.9 | 38.4 | 69.9 | 44.5 | 7.9 | 9.1 | 8.1 | 0.56 |
Upgrade to Flintec® PB Load Cells for Precision Weighing
The Flintec® PB Aluminum Planar Beam Load Cell is a reliable and cost-effective choice for low-profile, light-capacity weighing applications. With its aluminum construction, IP65 sealing, and mV/V per ohm calibration, it offers accurate measurements and easy integration into various weighing systems.
Order now from SellEton Scales and experience precision and reliability in every measurement!
Free Shipping: Available across 48 continental USA. Extra charges may apply for residential, farm, or rural areas.
Express Shipping: Overnight and faster shipping options available at additional costs. Quotes obtainable via email.
Delivery Time: Typically 5 to 7 business days, varying by location and external conditions.
Tracking Information: Provided via email upon shipment. Accessible through account login. Additional information available upon request.
Return Policy: 15-day return period for unused, original condition products. A 25% restocking fee applies. Buyer covers original and return shipping costs.
Customer Support: Contact at (844)-735-5386 or info@selletonscales.com for queries or concerns about shipping.