

Key Features:
- Low-Profile Design – Ideal for bench scales and checkweigher applications, especially in caustic and acidic environments.
- Insensitive to Off-Center Loading – Ensures high accuracy and stability, even under uneven weight distribution.
- High-Strength Stainless Steel Construction – Provides exceptional corrosion resistance, making it suitable for harsh industrial conditions.
- Tolerates Severe Washdowns – IP67 welded-seal protection ensures resistance against dust, moisture, and chemical exposure.
- Wide Capacity Range – Available in capacities from 6 kg to 30 kg, making it versatile for different industrial applications.
- Safe Overload Protection – Handles 150% full-scale overload without compromising performance.
- Reliable Electrical Performance – Delivers a full-scale output of 2.0 mV/V, with low non-repeatability (0.01% FS) and combined error (0.03% FS).
- Long Cable for Flexible Installation – Includes 20 ft of cable, allowing for easy integration into weighing systems.
- Certified for Industrial Use – Complies with cFMus standards, ensuring suitability for regulated applications.
Available Capacities: 6 kg to 30 kg
Warranty: One-year limited
HPSM Load Cell Specifications
Specification | Details | |
---|---|---|
Full Scale Output | 2.0 mV/V | |
Output Resistance | 350 (±3.5) ohm | |
Input Resistance | 350 (±3.5) ohm | |
Material/Finish | Stainless steel | |
Operating Temperature | 0°F to 150°F (-18°C to 65°C) | |
Seal Type | Welded-Seal, IP67 | |
Safe Overload | 150% full scale | |
Rated Excitation | 5 to 10 VDC (15 V max) | |
Combined Error | 0.03% full scale | |
Non-Repeatability | 0.01% full scale | |
Insulation Resistance | 5,000 megohm | |
Cable Length | 20 ft | |
Cable Color Code | Green (+Excitation), Black (-Excitation), White (+Signal), Red (-Signal) |
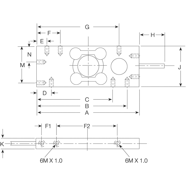
HPSM Load Cell Dimensions (mm)
Rated Capacity (kg) | A | B | C | D | E | F | F1 | F2 | G | H | J | K | M | N | |
---|---|---|---|---|---|---|---|---|---|---|---|---|---|---|---|
6 to 30 | 130 | 117 | 98 | 23 | 14 | 33 | 19 | 75 | 108 | 25 | 50 | 19 | 44 | 20 |
Upgrade your bench scale or checkweigher system with the VPG Revere HPSM Load Cell. Order today for precision, durability, and long-term performance!
Free Shipping: Available across 48 continental USA. Extra charges may apply for residential, farm, or rural areas.
Express Shipping: Overnight and faster shipping options available at additional costs. Quotes obtainable via email.
Delivery Time: Typically 5 to 7 business days, varying by location and external conditions.
Tracking Information: Provided via email upon shipment. Accessible through account login. Additional information available upon request.
Return Policy: 15-day return period for unused, original condition products. A 25% restocking fee applies. Buyer covers original and return shipping costs.
Customer Support: Contact at (844)-735-5386 or info@selletonscales.com for queries or concerns about shipping.