

Key Features:
- Capacity per module: 250 to 5,000 lb SE
- Available in zinc-plated mild steel or stainless steel construction
- Self-checking, multi-directional movement ensures stability and accuracy
- Ball and cup design for superior load introduction and self-centering
-
Compatible with various standard shear beam load cells, including:
- RL30000, RL39123, RL32018, RL32018S, RL32218S-HE
-
Ideal for:
- Light- to medium-capacity tank and hopper weighing
- Conveyors
The RLBTM Mild/Stainless Steel Weigh Module is a multi-purpose, high-accuracy weighing solution designed for light- to medium-capacity industrial applications. Featuring a ball and cup self-centering design, this module ensures precise weight measurement and stability, even in dynamic conditions.
This weigh module is available in both mild steel (zinc-plated for durability) and stainless steel (for corrosion resistance), making it suitable for both indoor and outdoor use. It can be paired with a variety of single-ended beam load cells to fit different weighing needs.
The RLBTM weigh module is an affordable, high-performance solution for businesses needing reliable, easy-to-install weighing equipment.
Specifications
Component | Details | |
---|---|---|
Capacity per Module | 250 to 5,000 lb SE | |
Material Options | Zinc-Plated Mild Steel or Stainless Steel | |
Mounting Type | Ball and Cup Self-Centering Design | |
Self-Checking | Yes, Multi-Directional Movement | |
Load Cell Compatibility | RL30000, RL39123, RL32018, RL32018S, RL32218S-HE | |
Applications | Light- to Medium-Capacity Tanks, Hoppers, Conveyors |
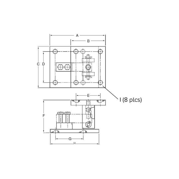
RLBTM Weigh Module Dimensions
Rated Capacity (lb) | A (in) | B (in) | C (in) | D (in) | E (in) | F (in) | G (in) | H (in) | I (in) | |
---|---|---|---|---|---|---|---|---|---|---|
250 to 5,000 SE | 8.00 | 5.00 | 6.00 | 4.50 | 3.50 | 4.75 | 4.00 | 7.00 | 0.63 |
*Custom sizes available upon request
Enhance Your Weighing System with the RLBTM Weigh Module
The RLBTM Mild/Stainless Steel Weigh Module offers superior accuracy, easy installation, and multi-directional movement. Its self-centering ball and cup design, material flexibility, and compatibility with multiple load cells make it an ideal solution for industrial weighing applications.
Contact our team for more information on how the RLBTM Weigh Module can optimize your weighing process!
Free Shipping: Available across 48 continental USA. Extra charges may apply for residential, farm, or rural areas.
Express Shipping: Overnight and faster shipping options available at additional costs. Quotes obtainable via email.
Delivery Time: Typically 5 to 7 business days, varying by location and external conditions.
Tracking Information: Provided via email upon shipment. Accessible through account login. Additional information available upon request.
Return Policy: 15-day return period for unused, original condition products. A 25% restocking fee applies. Buyer covers original and return shipping costs.
Customer Support: Contact at (844)-735-5386 or info@selletonscales.com for queries or concerns about shipping.