

Key Features:
- High-Capacity Compression Canister Load Cell – Built for vehicle and industrial process weighing applications.
- Stainless Steel Construction for Maximum Durability – Ensures corrosion resistance and long-lasting performance.
- Welded-Seal IP67 Protection – Designed for reliable operation in harsh environments, including outdoor and industrial conditions.
- Wide Capacity Range – Available in 25,000 lb to 200,000 lb capacities to suit various heavy-duty weighing applications.
- Exceptional Accuracy & Stability – Features 2.0 mV/V full-scale output, combined error of 0.03%, and non-repeatability of 0.01%.
-
Minimal Deflection for High Precision Weighing –
- 25,000 to 50,000 lb: 0.003 in
- 100,000 to 125,000 lb: 0.006 in
- Superior Overload Protection – Can handle 150% full-scale overload, ensuring long-term durability.
-
Long-Distance Cable Options for Easy Installation –
- Standard Model: 35 ft polyurethane-jacketed cable
- Extended Model: 80 ft polyurethane-jacketed cable
- Rated Excitation of 5-10V DC (15V Max) – Delivers stable and consistent signal output.
- Certified for Industrial Use – NTEP (95-140) approved, ensuring legal trade compliance.
- Two-Year Limited Warranty – Guaranteed quality and long-term performance.
RLCSP1 Load Cell Specifications
Specification | Details | |
---|---|---|
Full Scale Output | 2.0 mV/V | |
Output Resistance | 475.2 to 484.8 ohm | |
Input Resistance | 445.5 to 454.5 ohm | |
Material/Finish | Stainless steel | |
Compensated Temperature | 14 °F to 104 °F (-10 °C to 40 °C) | |
Operating Temperature | 0 °F to 150 °F (-18 °C to 65 °C) | |
Seal Type | Welded-seal, IP67 | |
Safe Overload | 150% full scale | |
Rated Excitation | 5 to 10 VDC (15 V maximum) | |
Combined Error | 0.03% full scale | |
Non-repeatability | 0.01% full scale | |
Insulation Resistance | 1,000 megohm | |
Deflection at Capacity | 25,000 to 50,000 lb: 0.003 in 100,000 to 125,000 lb: 0.006 in |
|
Cable Length | 35 ft 80 ft |
|
Cable Diameter | 0.305 in (Polyurethane Jacket) | |
Cable Color Code | Green (+Excitation), Black (–Excitation), White (+Signal), Red (–Signal), Orange (Shield) | |
Warranty | Two-year limited | |
Approvals | NTEP 95-140 |
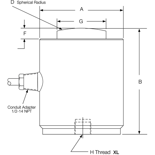
RLCSP1 Load Cell Dimensions
Rated Capacity (lb) | A (in) | B (in) | D (in) | F (in) | G (in) | H (Thread Size) | L-DEPTH (in) | |
---|---|---|---|---|---|---|---|---|
25,000 to 50,000 | 3.00 | 3.25 | 6.00 | 0.40 | 1.25 | 1/2-20 UNF | 0.31 | |
100,000 | 4.00 | 5.00 | 6.00 | 0.51 | 2.31 | 3/4-16 UNF | 0.56 | |
200,000 | 6.00 | 7.25 | 17.00 | 1.04 | 3.13 | 3/4-16 UNF | 0.75 |
Order Yours Today!
Upgrade your industrial weighing system with the Rice Lake RLCSP1 Stainless Steel Compression Canister Load Cell, designed for precision, durability, and seamless integration into high-capacity applications. Contact us today to place your order or discuss your specific weighing needs.
Free Shipping: Available across 48 continental USA. Extra charges may apply for residential, farm, or rural areas.
Express Shipping: Overnight and faster shipping options available at additional costs. Quotes obtainable via email.
Delivery Time: Typically 5 to 7 business days, varying by location and external conditions.
Tracking Information: Provided via email upon shipment. Accessible through account login. Additional information available upon request.
Return Policy: 15-day return period for unused, original condition products. A 25% restocking fee applies. Buyer covers original and return shipping costs.
Customer Support: Contact at (844)-735-5386 or info@selletonscales.com for queries or concerns about shipping.